本文摘自:廣州市勝特建筑科技開發有限公司 第 14 期 勝特特刊 點擊查看特刊>>
——鄭州城市軌道交通3號線一期樁基托換工程

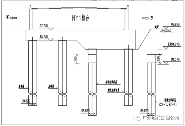
工程概況:鄭州城市軌道交通3號線一期樁基托換工程為鄭州市軌道交通3號線沙門路站~興隆鋪路站區間采用盾構法施工,其區間右線隧道在里程右DK7+930.0處與南陽路北三環立交橋NY1橋臺樁基NYT1-1、NYT1-5號樁沖突,為保證橋梁及隧道安全,盾構施工前,須對影響樁基進行托換、影響樁進行鑿除處理;其中新建樁基為鉆孔樁,本次托換采用主動托換方式,對NYT1-1、NYT1-5號樁在利用既有托換樁復壓提高承載力作為托換樁,與新建樁共同組成托換體系。

當隧道穿越既有橋梁需要樁基托換時,現有托換技術主要采用門字架托換的方式:即采用兩根托換樁支撐起托換梁,由托換樁及托換梁組成托換體系;當在托換樁與托換梁之間主動預頂時,將托換梁上部的荷載轉移至托換樁,使原承重構件架空,使隧道順利通過。因而現有技術對環境要求較高,或者需要拆除既有建筑,施工周期長,而且拆除建筑物會花費較大的成本及造成經濟損失;此外,建筑物拆除后,需要進行垃圾的運輸,堆放垃圾會占用土地,一來不利于環保,二來也會花費一定的成本;建筑物再建時也會造成能源、人力、物力的耗費。由此可見,如何對現有的樁基托換技術進行改進,找到一種適用范圍更廣的托換技術,能夠在受限條件下對既有建構筑物進行托換,以使新修地下隧道順利穿過,這是本領域目前需要解決的技術問題。

新建隧道穿越既有建筑物利用原樁基礎復壓提高承載力作為托換樁的創新工藝研究,主要是利用既有托換樁復壓提高承載力作為托換樁,與新建樁共同組成托換體系。原樁復壓的方法包括:在既有樁外圍設置包柱支撐體系,基礎樁上方承托樁承臺;將千斤頂和鋼管支撐置于樁承臺底部與包柱支撐體系頂部之間,千斤頂的作用力輸出端通過包柱支撐體系傳遞至基礎樁;截斷位于包柱支撐體系頂部以上的基礎樁,多次頂升千斤頂,并在鋼管支撐上增加墊塊;待建筑物樁基礎復壓達到設計值時,重新連接基礎樁的截斷部位。千斤頂、鋼支撐、自鎖裝置組成安全保障體系,保障頂升托換安全可靠,經濟合理。本發明提供一種新建隧道穿越既有橋梁利用原樁基礎復壓提高承載力作為托換樁方法及系統,解決樁基托換結構補樁對施工場地要求嚴格,施工場地限制存在一定的施工困難,加上補樁樁數及擴大承臺等所帶來的費用,會增加不少資金。
本創新工藝是在傳統樁基托換主動托換技術基礎上的巨大突破, 可以達到用原樁基礎復壓提高承載力作為托換樁設計要求,本創新工藝需結合我司三項實用新型專利使用:
1. “建筑物樁基礎復壓提高承載力的裝置”(專利號ZL201820686436.4)
2. “新修隧道穿越既有建筑主動托換的托換系統”(專利號ZL201920617951.1)
3. “一種可調節高度的永久支撐自鎖裝置”(專利號ZL201620697033.0)



本工程的關鍵技術主要利用原樁基作為托換樁,通過對原樁基復壓提高承載力的方法,使其滿足托換樁的性能要求,從而變成托換樁,其具體步驟為:
第一步:施工準備

1、施工場地整理,管線遷改和重載交通控制;
2、既有橋臺地面局部開挖至臺底,對既有橋高程和平面定位進行復核測量,并將復測結果反饋給設計及監理單位;
3、布設橋梁的監測系統;
4、既有樁基地基注漿加固。
第二步:新建樁基施工

1、既有橋復測與設計和監理方確認無誤后,對新建樁基進行定位、鉆孔及澆筑。
2、當灌注成樁3~7天,樁身強度達到70%后,進行樁底后壓漿。
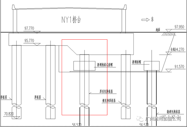
第三步:基坑開挖及新增抱樁式樁帽

1、施工基坑圍護結構,進行基坑開挖。
2、破除新樁基樁頭,新作抱樁式樁帽及新增樁帽,注意樁基聲測管和注漿管。
第四步:托換承臺施工

1、既有橋臺底墊層清理和臺底鑿毛,并進行承臺底鋼筋機械套筒連接及植筋和預埋件施作;
2、基坑清理,澆筑墊層;
3、澆筑托換承臺。
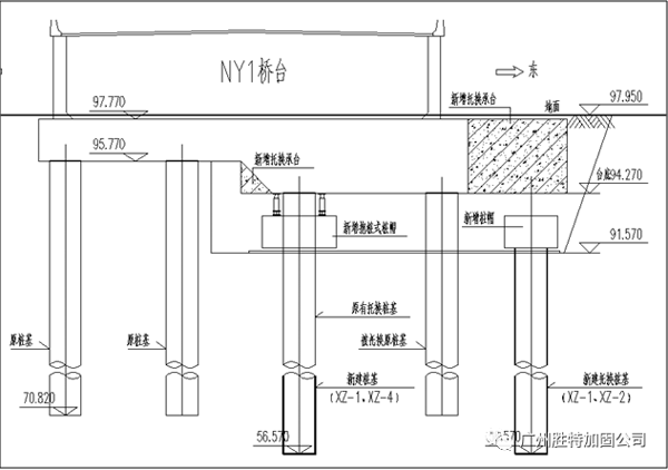
第五步:既有托換樁頂升和截樁

1、布設千斤頂自鎖裝置及輔助支撐,先對原有托換樁進行單獨頂升檢測抱樁式樁帽系統的可靠性后再對該樁體進行截樁;
2、既有托換樁截樁后二次頂升,完成既有托換樁的承載力必要時進行二次注漿提高樁體承載力。
第六步:既有托換樁及新增托換樁同步頂升、被托換樁截樁

1、布設千斤頂自鎖裝置及輔助支撐,對既有托換樁基新增托換樁同時進行預頂升;
2、主動托換頂升,分10級進行加載,每級加載為設計理論荷載的10%;
3、待來回頂升后確定在頂升力最小托換結構系統變形穩定穩定后進行截樁,截樁應逐根進行,待監控量測結果趨于穩定以后,方可進行下一根樁的截斷。
第七步:托換節點封樁施工及基坑回填

1、待托換結構沉降位移趨于穩定后,固定輔助支撐,逐步卸載千斤頂,并繼續保持監測;
2、樁帽與托換承臺封樁聯接(或待盾構機穿越隧道過程進行三次頂升后再封樁)。
3、基坑回填;


鄭州城市軌道交通3號線一期樁基托換工程自2019年4月份進場施工,2019年7月份前完成了所有托換頂升工作。本工程技術亮點主要是利用原工程樁作為托換樁,解決施工作業面不足,無法開挖等問題。本項目施工工藝較新,在業主要求的工期內安全可靠的完成了頂升托換,受到建設方中國建筑第八工程局有限公司一致好評!









